n ぷじょ~る君のたわ言2 DC-DCの読みは、でしでし?でこでこ? 忍者ブログ
×

[PR]上記の広告は3ヶ月以上新規記事投稿のないブログに表示されています。新しい記事を書く事で広告が消えます。

 飼い主ぃ!はやくこれ作りますですのニャ!!

 


   
ピンが意外に多いけど、ようはコンデンサぶっこむだけだな♪

  
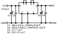
なぜかパワポで配線図(笑)  すずメッキ線がなかったんで細い銅線でごまかし(笑)



 しんめとりーにすると かっちょいい


でぃーしーごぼるとキターーーーーーーー!!
きましたですのニャ~~~~~~~~~~~~~っ!!



 にゃんだかよくわかってないんですけど、すごいらしいですのニャ♪


PR
この記事にコメントする
お名前
タイトル
文字色
メールアドレス
URL
コメント
パスワード   Vodafone絵文字 i-mode絵文字 Ezweb絵文字
過去の記事

コメント
(05/23)
(05/23)
(05/23)
(05/23)
(10/20)
ブログ内検索
プロフィール
Name: ぷじょ~る
Job: 206うごかす
Hobby: ごろごろ
カウンター
管理
管理者画面
新しい記事を書く

Copyright © ぷじょ~る君の本拠地 All rights reserved.

Special Template : CSS*TEMP
Special Thanks : 忍者ブログ
CM : [PR]